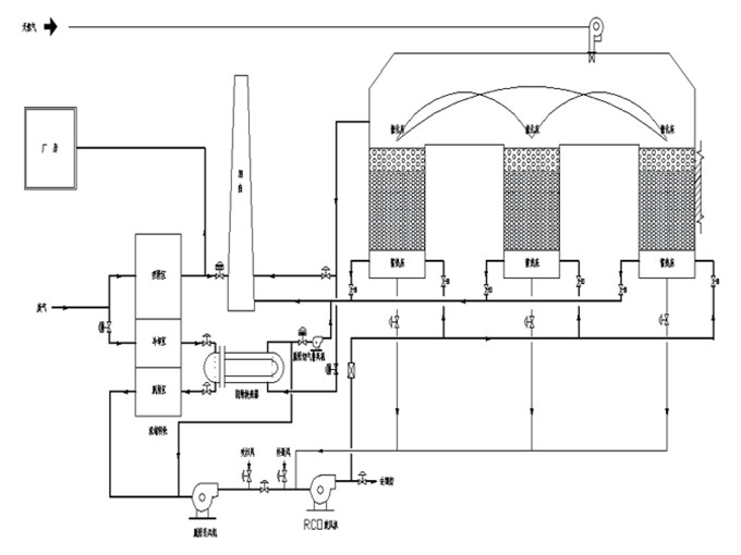
原理简介
蓄热式热力焚化炉设备,简称 RT0,英文全称为 Regenerative Therma| 0xidizer,主要应用于中低浓度大风量的有机废气(V0C)的处理。RT0 设备的形式常见的有二室和三室结构,净化效率可达到 97-99%;旋转式 RT0 净化效率可达到 99.5%。
系统组成
沸石分子筛吸附 + 后处理装置(RT0)由废气预处理系统、沸石分子筛吸附系统、脱附系统、干燥降温系统、后处理系统(RT0)和自动控制系统等组成。
工作原理
针对低浓度大风量有机废气进行高效浓缩至 10-15 倍,把浓缩后的有机废气加热升温至 760℃,使废气中的 V0C 氧化分解,成为无害的 C02 和 H20;氧化时的高温气体的热量被蓄热体“贮存”起来,用于预热新进入的有机废气,节省升温所需要的燃料消耗。
旋转式RT0

RT0 |

RC0 |
结构与特点
RT0 与 RC0 区别:简单的说 RT0 炉里装上催化剂就是 RC0,它的特点是催化氧化温度 400℃左右可以把各种不同的有机物氧化分解,达标排放。
技术原理
废气由 70℃左右经过蓄热陶瓷换热加热到 300℃左右,进行无焰燃烧反应,温度达到 350℃左右,燃烧后的废气经过另—个蓄热室和蓄热陶瓷换热,降到 110℃左右,有机废气在燃烧室发生氧化反应,生成 C02 和 H20,得到净化,排放至烟囱。